推扬网

 找回密码
 立即注册

QQ登录

只需一步,快速开始

搜索
推扬网 门户 你问我答 查看内容

安小乔:我想自制一个简单音频放大电路

2020-8-10 20:25| 发布者: admin| 查看: 34| 评论: 0

摘要: 张宝玺的回答: 这个比较简单,装配容易、配件易购、双声道输出,只是功率不太大,2W左右,供你参考。 张宝玺的回答: 这个比较简单,装配容易、配件易购、双声道输出,只是功率不太大,2W左右,供你参考。 龙超云 ...

张宝玺的回答:

这个比较简单,装配容易、配件易购、双声道输出,只是功率不太大,2W左右,供你参考。

张宝玺的回答:

这个比较简单,装配容易、配件易购、双声道输出,只是功率不太大,2W左右,供你参考。

龙超云的回答:

不知道你要简单到什么程度?先提醒你,简单的,声音一定不会太好。

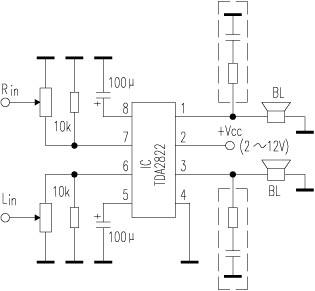
最最简单的只需要一个三极管和一个电阻一个电容就可以了,略复杂一些的需要功放IC。其中比较适合制作的类似TDA2822简化后只需要一个IC和两个100u电容就可以搞定,还是立体声的。实验板或者搭焊都可以。

如果你想要更简单的,我还有个很实际的办法。去找个废光驱,带耳机插孔的那种。这种光驱主板和耳机放大及伺服是两个电路板,你把其中的放大部分单独拆下来。找个耳机线焊在电位器上,再焊接2根线连5V电源就行了,用自带的插座接小喇叭。只需要接线,无需做板还带音量控制,不会有比这个再简单的了。

爺↗饭醉团伙的回答:

那你要多大的功率


鲜花

握手

雷人

路过

鸡蛋

最新评论

热门推荐
最新资讯

广告服务|投稿要求|禁言标准|版权说明|免责声明|手机版|小黑屋|推扬网 ( 粤ICP备18134897号 )|网站地图 | 邮箱:vayae@hotmail.com

GMT+8, 2025-12-15 15:03 , Processed in 0.068812 second(s), 29 queries .

Powered by Discuz! X3.4

© 2001-2017 Comsenz Inc.

返回顶部