推扬网

 找回密码
 立即注册

QQ登录

只需一步,快速开始

搜索
推扬网 门户 互联网动态 查看内容

什么是法兰连接?12种常见法兰接头详解

2020-4-17 22:16| 发布者: admin| 查看: 318| 评论: 0

摘要: 法兰接头是工程设计中使用极为普遍、涉及面非常广泛的一种零部件。 它是配管设计、管件阀门必不可少的零件,而且也是设备、设备零部件(如人孔、视镜液面计等)中必备的构件。此外,其它专业如工业炉、热工、给排水、 ...

法兰接头是工程设计中使用极为普遍、涉及面非常广泛的一种零部件。

它是配管设计、管件阀门必不可少的零件,而且也是设备、设备零部件(如人孔、视镜液面计等)中必备的构件。此外,其它专业如工业炉、热工、给排水、采暖通风、自控等,也经常使用法兰接头。

法兰

材质:

锻钢、WCB碳钢、不锈钢、316L、316、304L、304、321、铬钼钢、铬钼钒钢、钼二钛、衬胶、衬氟材质。

分类:

平焊法兰、带颈法兰、对焊法兰、环连接法兰、承插法兰、及盲板等。

执行标准:

有GB系列(国家标准)、JB系列(机械部)、HG系列(化工部)、ASME B16.5(美标)、BS4504(英标)、DIN(德标)、JIS(日标)。

国际管法兰标准体系:

国际上管法兰标准主要有两个体系,即以德国DIN(包括原苏联)为代表的欧洲管法兰体系和以美国ANSI管法兰为代表的美洲管法兰体系。

下面是12种法兰类型及密封面形式

1、板式平焊法兰

板式平焊法兰

板式平焊法兰

板式平焊法兰(化工标准HG20592、国家标准GB/T9119、机械JB/T81)。

优点:

取材方便,制造简单,成本低,使用广泛。

缺点:

刚性较差,因此不得用于有供需、易燃、易爆和较高真空度要求的化工工艺配管系统和高度、极度危害的场合。密封面型式有平面和突面。

2、带颈平焊法兰

带颈平焊法兰

带颈平焊法兰属于国标法兰标准体系。是国标法兰(又称GB法兰)的其中一种表现形式,是设备或管道上常用的法兰之一。

优点:

现场安装较方便,可省略焊缝拍揉伤的工序

缺点:

带颈平焊法兰颈部高度较低,对法兰的刚度、承载能力有所提高。与对焊法兰相比,焊接工作量大,焊条耗量高,经不起高温高压及反复弯曲和温度波动。

3、带颈对焊法兰

带颈对焊法兰

带颈对焊法兰的密封面形式有:

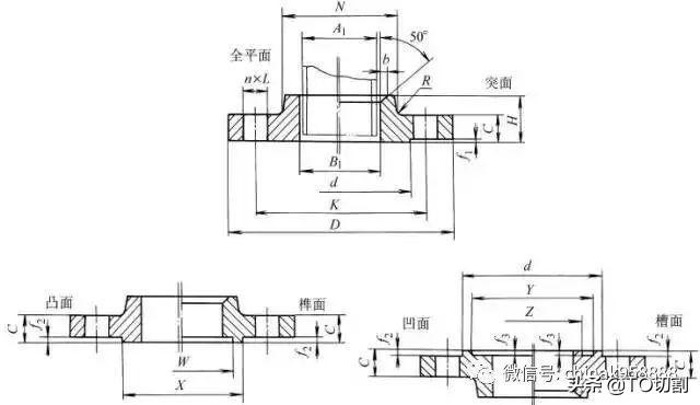
突面(RF)、凹面(FM),凸面(M)、榫面(T),槽面(G),全平面(FF)。

优点:

连接不易变形,密封效果好,应用广泛,适用于温度或压力大幅度波动的管道或高温、高压及低温的管道,也用于输送价格昂贵介质、易燃易爆介质、有毒气体的管道上。

缺点:

带颈对焊法兰的体积庞大,重量笨重,价格昂贵,安装定位很困难。因此在运输途中更容易磕碰。

4、整体法兰

整体法兰

整体法兰

整体法兰是一种法兰的连接方式。也是属于带颈对焊钢制管法兰的一种。材质有碳钢、不锈钢、合金钢等。

在国内各个标准之中,用IF来表示整体法兰。多用于压力较高的管道之中。生产工艺一般为铸造。

在法兰类型中就是用一个“IF”来表示整体法兰的类型。

一般为突面(RF),如果在易燃、易爆、高度和极度危害的使用工况之中,则可以选用除了RF面之外的凸凹面(MFM)及榫槽面(TG)的密封面的形式。

5、承插焊法兰

承插焊法兰

承插焊法兰

承插焊法兰是一端与钢管焊接另一端用螺栓连接的的法兰。

密封面形式:

突面(RF)、凹凸面(MFM)、榫槽面(TG)、环连接面(RJ)

应用范围:

锅炉压力容器、石油、化工、造船、制药、冶金、机械、冲压弯头食品等行业。

常用于PN≤10.0MPa,DN≤40的管道中。

6、螺纹法兰

螺纹法兰

螺纹法兰是将法兰的内孔加工成管螺纹,并和带螺纹的管子配套实现连接,是一种非焊接法兰。

优点:

它和平焊法兰或对焊法兰相比,螺纹法兰具有安装、维修方便的特点,可在一些现场不允许焊接的管线上使用。合金钢法兰有足够的强度,但不易焊接,或焊接性能不好,亦可选择螺纹法兰。

缺点:

在管道温度变化急剧或温度高于260℃低于-45℃的条件下,建议不使用螺纹法兰,以免发生泄漏。

7、对焊环松套法兰

对焊环松套法兰

对焊环松套法兰是可以活动的法兰片,一般是配套在给排水配件上,厂家出厂时伸缩节两端就各有一片法兰,直接与工程中的管道、设备用螺栓连接。

作用:

使用对焊环松套法兰的目的一般是为了节省材料,其结构分成两部分,管子部分一头和管道接,一头做成对焊环。法兰盘采用低等级的材料,而管子部分使用和管道一样的材料,达到节省材料的目的。

优点:

① 节约成本。当管材材质特殊,价格昂贵时,焊接同样材质的法兰成本高。

② 不便于焊接或不便于加工或需要的强度大。如塑料管、玻璃钢管之类。

③ 便于施工。如连接时法兰螺栓孔对应不便于找正或者防止日后更换设备法兰螺栓孔有变等。

缺点:

① 承受压力低。

② 焊环处强度低(特别是厚度3mm以下时)

8、平焊环松套法兰

平焊环松套法兰

平焊环松套法兰

平焊环松套法兰盘是可以活动的法兰片。直接与工程中的管道、设备用螺栓连接。

使用平焊环松套法兰盘的目的一般是为了节省资料,其结构分成两部分,管子局部一头和管道接,一头做成翻边,法兰盘部分套在翻边上。

优点:

① 方便于焊接或方便于加工或需要的强度大,如塑料管、玻璃钢管之类。

②便于施工,如连接时法兰螺栓孔对应方便于找正或者防止日后更换设备法兰螺栓孔有变等。

③价格昂贵时,节约本钱。当管材材质特殊,焊接同样材质的法兰成本高。

缺点:

接受压力低。

焊环处强度低(特别是厚度3mm以下时)

9、法兰盖

法兰盖

法兰盖

也称盲板法兰、盲板。是中间不带孔的法兰,供封住管道堵头用。

作用与焊接封头及丝扣管帽是一样的,只不过盲板法兰和丝扣管帽可以随时卸下来,而焊接封头则不行。

法兰盖密封面:

平面(FF)、突面(RF)、凹凸面(MFM)、榫槽面(TG)、环连接面(RJ)

10、衬里法兰盖

衬里法兰盖

衬里法兰盖

衬里法兰盖是一种盲板法兰,接近介质的一边堆焊不锈钢,为1个整体。衬里法兰盖用在有腐蚀性介质的管道上作盲板用。与普通法兰盖的区别是与介质接触面增加了防腐衬层。

11、美标带颈平焊法兰

美标带颈平焊法兰

美标带颈平焊法兰

带颈平焊法兰连接于管端。主要是使管子与管子相互连接的零件。带颈平焊法兰上有孔眼,可穿螺栓,使两法兰紧连,法兰间用衬垫密封。

垫片放在两法兰密封面之间,拧紧螺母后,垫片表面上的比压达到一定数值后产生变形,并填满密封面上凹凸不平处,使联接严密不漏。法兰联接是一种可拆联接。按所联接的部件可分为容器法兰及管法兰。带颈平焊法兰适用于公称压力不超过2.5MPa的钢管道连接。

带颈平焊法兰用于法兰与管子的对口焊接,其结构合理,强度与刚度较大,经得起高温高压及反复弯曲和温度波动,密封性可靠。公称压力为0.25~2.5MPa的带颈平焊法兰采用凹凸式密封面。

12、美标带颈对焊法兰

美标带颈对焊法兰

美标带颈对焊法兰

美标法兰是使管子与管子相互连接的零件,连接于管端。美标对焊法兰由锻造而成和浇铸而成两种方法。

美标对焊法兰根据带颈情况可以分为带颈美标对焊法兰和不带颈的美标对焊法兰。

美标对焊法兰由两个法兰盘加上法兰垫,用螺栓紧固在一起,完成了连接。美标法兰上有孔眼,螺栓使两法兰紧连。法兰间用衬垫密封。

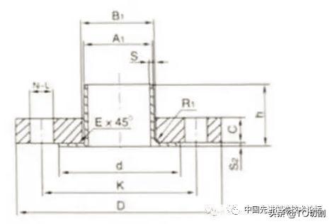
附图表详解

12种法兰接头详解,见过却叫不上名字!看完这篇文章就全知道了 12种法兰接头详解,见过却叫不上名字!看完这篇文章就全知道了 12种法兰接头详解,见过却叫不上名字!看完这篇文章就全知道了 12种法兰接头详解,见过却叫不上名字!看完这篇文章就全知道了 12种法兰接头详解,见过却叫不上名字!看完这篇文章就全知道了

大家记住这些法兰的名字了吗?


鲜花

握手

雷人

路过

鸡蛋

最新评论

推荐阅读
精彩推荐

广告服务|投稿要求|禁言标准|版权说明|免责声明|手机版|小黑屋|推扬网 ( 粤ICP备18134897号 )|网站地图 | 邮箱:vayae@hotmail.com

GMT+8, 2025-12-2 15:02 , Processed in 0.229028 second(s), 29 queries .

Powered by Discuz! X3.4

© 2001-2017 Comsenz Inc.

返回顶部