推扬网

 找回密码
 立即注册

QQ登录

只需一步,快速开始

搜索
推扬网 门户 你问我答 查看内容

徐敬:接地电阻测试仪使用方法pc48型

2020-8-12 14:50| 发布者: admin| 查看: 89| 评论: 0

摘要: 郭晓薇的回答: 产品简介: ? ? ? ?数字接地电阻测试仪电气设备的接地电阻是保证人身安全及电气设备正常工作的重要部分。近年来由于电气试验设备的接地问题引起的设备事故时有发生,应引起注意。 使用方法: ? ? ? ...

郭晓薇的回答:

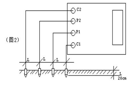
产品简介: ? ? ? ?数字接地电阻测试仪电气设备的接地电阻是保证人身安全及电气设备正常工作的重要部分。近年来由于电气试验设备的接地问题引起的设备事故时有发生,应引起注意。 使用方法: ? ? ? ? ? ? ? ? ? ? ? ? ? ? ? ? ? ? ? 接地电阻测量(图一)? ①烟被测接地E(C2、P2)和电位探针P1及电流探针C1依直线彼此相距20米,使电位探针处于E、C中间位置,按要求将探针插入大地。 ②用专用导线将端子E(C2、P2)、P1、C1与探针所在位置对应连接。 ③开启电源开关“ON”,选择合适档位轻按一下键,该档指示灯亮,表头LCD显示的数值即为被测得的接地电阻值。 ? ? ? ? ? ? ? ? ? ? ? ? ? ? ? ? ? ? ? ?土壤电阻率测量(如图二) ? ? ? 测量时在被测的土壤中沿直线插入四根探针,并使各探针间距相等,各间距的距离为L,要求探针入地深度为L/20cm,用导线分别从C1、P1、P2、C2各端子与四根探针相连接。若测出阻值为R,则土壤电阻率按下式计算:ρ=2лRL。 ? ? ? ?ρ-土壤电阻率(Ω·)、L-探针与探针之间仪的读数(Ω)。 用此法则得的土壤电阻率可以近似的距离(cm)、R-地阻认为是被埋入之间区域的平均土壤电阻率。 ? ? ? ? ? ? ? ? ? ? ? ? ? ? ? ? ? ? ? ? ? ?导体电阻测量(图三) 4、地电压测量 ? ? ? ?测量接地如图一,拔掉C1插头,E、P1间的插头保留,启动地电压(EV)档,指示灯亮,读取表示数值即为E、P1间的交流地电压值。 5、测量完毕按一下电源“OFF”键,仪表关机。 14.0000pt; font-family:'宋体'; " >土壤电阻率(Ω·)、L-探针与探针之间仪的读数(Ω)。 ? ? ? 用此法则得的土壤电阻率可以近似的距离(cm)、R-地阻认为是被埋入之间区域的平均土壤电阻率。 ? ? ? ? ? ? ? ? ? ? ? ? ? ? ? ? ?图四 1、测量保护接地电阻时,一定要断开电气设备与电源连接点。在测量小于1Ω的接地电阻时,应分别用专用导线连在接地体上,C2在外侧P2在内侧(如图四)所示: 2、测量接地电阻时最好反复在不同的方向测量3-4次,取其平均值。 3、测量大型接地网接地电阻时,不能按一般接线方式测量,可参照电流表、电压表测量法中的规定选定埋插点。 4、若测试回路不通或超量程时,表头显示“1”,说明溢出,应检查测试回路是否连接好或是否超量程。 5、本表当电池电压低于7.2V时,表头显示欠压符号“←”,表示电池电压不足,此时应插上电源线由交流供电或打开仪器后盖板更换干电池。 6、如果使用可充电池时,可直接插上电源线利用本机充电,充电时间一般不低于8小时。 7、存放保管本表石时,应注意环境温度和湿度,应放在干燥通风的地方为宜,避免受潮,应防止酸碱及腐蚀气体,不得雨淋,暴晒,跌落。

张天成的回答:

产品简介: ? ? ? ?数字接地电阻测试仪电气设备的接地电阻是保证人身安全及电气设备正常工作的重要部分。近年来由于电气试验设备的接地问题引起的设备事故时有发生,应引起注意。 使用方法: ? ? ? ? ? ? ? ? ? ? ? ? ? ? ? ? ? ? ? 接地电阻测量(图一)? ①烟被测接地E(C2、P2)和电位探针P1及电流探针C1依直线彼此相距20米,使电位探针处于E、C中间位置,按要求将探针插入大地。 ②用专用导线将端子E(C2、P2)、P1、C1与探针所在位置对应连接。 ③开启电源开关“ON”,选择合适档位轻按一下键,该档指示灯亮,表头LCD显示的数值即为被测得的接地电阻值。 ? ? ? ? ? ? ? ? ? ? ? ? ? ? ? ? ? ? ? ?土壤电阻率测量(如图二) ? ? ? 测量时在被测的土壤中沿直线插入四根探针,并使各探针间距相等,各间距的距离为L,要求探针入地深度为L/20cm,用导线分别从C1、P1、P2、C2各端子与四根探针相连接。若测出阻值为R,则土壤电阻率按下式计算:ρ=2лRL。 ? ? ? ?ρ-土壤电阻率(Ω·)、L-探针与探针之间仪的读数(Ω)。 用此法则得的土壤电阻率可以近似的距离(cm)、R-地阻认为是被埋入之间区域的平均土壤电阻率。 ? ? ? ? ? ? ? ? ? ? ? ? ? ? ? ? ? ? ? ? ? ?导体电阻测量(图三) 4、地电压测量 ? ? ? ?测量接地如图一,拔掉C1插头,E、P1间的插头保留,启动地电压(EV)档,指示灯亮,读取表示数值即为E、P1间的交流地电压值。 5、测量完毕按一下电源“OFF”键,仪表关机。 14.0000pt; font-family:'宋体'; " >土壤电阻率(Ω·)、L-探针与探针之间仪的读数(Ω)。 ? ? ? 用此法则得的土壤电阻率可以近似的距离(cm)、R-地阻认为是被埋入之间区域的平均土壤电阻率。 ? ? ? ? ? ? ? ? ? ? ? ? ? ? ? ? ?图四 1、测量保护接地电阻时,一定要断开电气设备与电源连接点。在测量小于1Ω的接地电阻时,应分别用专用导线连在接地体上,C2在外侧P2在内侧(如图四)所示: 2、测量接地电阻时最好反复在不同的方向测量3-4次,取其平均值。 3、测量大型接地网接地电阻时,不能按一般接线方式测量,可参照电流表、电压表测量法中的规定选定埋插点。 4、若测试回路不通或超量程时,表头显示“1”,说明溢出,应检查测试回路是否连接好或是否超量程。 5、本表当电池电压低于7.2V时,表头显示欠压符号“←”,表示电池电压不足,此时应插上电源线由交流供电或打开仪器后盖板更换干电池。 6、如果使用可充电池时,可直接插上电源线利用本机充电,充电时间一般不低于8小时。 7、存放保管本表石时,应注意环境温度和湿度,应放在干燥通风的地方为宜,避免受潮,应防止酸碱及腐蚀气体,不得雨淋,暴晒,跌落。

于明涛的回答:

问厂家要说明书及电话指导!


鲜花

握手

雷人

路过

鸡蛋

最新评论

热门推荐
最新资讯

广告服务|投稿要求|禁言标准|版权说明|免责声明|手机版|小黑屋|推扬网 ( 粤ICP备18134897号 )|网站地图 | 邮箱:vayae@hotmail.com

GMT+8, 2025-12-15 11:05 , Processed in 0.067449 second(s), 29 queries .

Powered by Discuz! X3.4

© 2001-2017 Comsenz Inc.

返回顶部